一體化解決方案
15年行業經驗,助力企業發展
一體化解決方案
15年行業經驗,助力企業發展
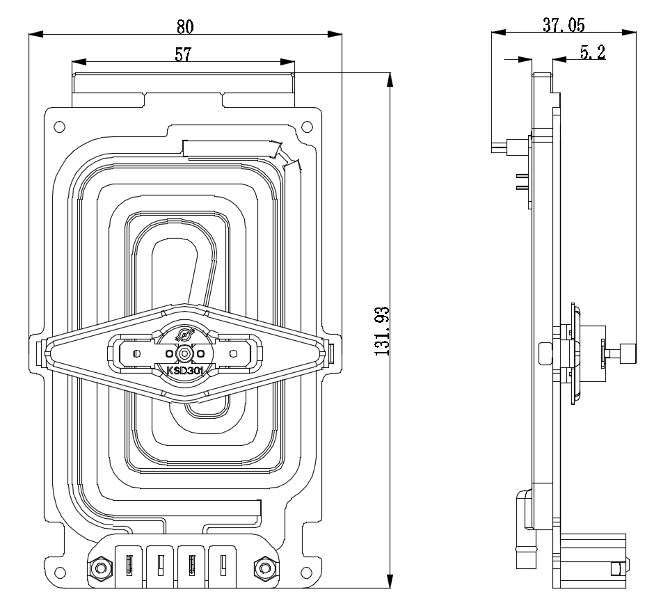
主要零部件規格
序號 | 零部件名稱 | 零部件代號 | 材料/規格 | 廠家 | 備注 |
1 | 加熱板 | 20JD/B150S-01-001 | SUS444/1600W/220V | JD | |
2 | 導流盤 | 20JD/B150S-02-001 | 3003鋁/127×63×7.1 | JD | |
3 | 接線座 | 20JD/B150S-04-001 | 組件 | JD | |
4 | 溫控器支架 | 20JD/B150S-06-001 | 鐵鍍鋅/T=0.8 | JD | |
5 | 突跳式溫控器 (手動) | JD-JTTPT1M-016 | T1M/33-230±8/-35/兩平腳/ | TP | |
6 | 溫度傳感器 | JD-TSAS15-038 | TS104F25C3950FA-ML450A-TST3496 | AS |

技術要求
序號 | 項目 | 指標限值 |
1 | 外觀 | 1.加熱組件本體無變形,無毛刺、毛邊,各部件無干涉或明顯縫隙,所有部位無破損和臟污; 2.溫控器和鎖緊無松動; 3.加熱組件各螺絲無漏鎖、無混用,螺絲十字無打花,螺絲孔無裂痕或打穿; |
2 | 額定電壓 | AC220V 50Hz |
3 | 額定功率(出氣溫度120℃時) | 1600W(-10%,+5%) |
4 | 冷態電阻(室溫25℃時) | 22.18Ω~26.55Ω |
5 | 泄露電流 | 1.15倍額定功率下工作≤0.25mA |
6 | 電氣強度 | AC1250V/5mA/3s;無擊穿,無閃絡 |
7 | 出汽量 | 33g/min |
8 | 出汽溫度 | 120℃ |
9 | 冷態出汽時間 | 5~8s |
10 | 出汽距離 | 100cm |
11 | 壽命 | ≥300h(純凈水) |
12 | 氣密性 | 0.2MPa氣壓,進氣4S,平衡測試20S,檢測4S,泄漏值<200Pa |
13 | 鹽霧測試 | 根據GB/T 2423.17-2008進行中性鹽霧48小時,加熱管不出現銹蝕,但不影響安全和功能的銳邊上的銹跡或可擦除的黃色銹膜可忽略 |
14 | 水質要求 | 純凈水(如用自來水,請定期清洗水垢) |
15 | 工作環境溫度 | -25℃~50℃ |
16 | 溫控防干燒測試和保護邏輯 | 1.正常工作:通電220V,加熱體分別在1600W狀態下工作,出氣120℃,10min,溫控均不起跳; 2.斷水干燒:通電220V,加熱體出氣120℃,1min后,進行斷水干燒,溫控起跳時,加熱體不得起火; 3.無水干燒:通電220V,加熱體內無水,直接通電干燒,溫控起跳時,加熱體不得起火; |
檢驗與試驗方法
序號 | 項目 | 檢驗種類 | 測試條件及方法 |
1 | 外觀 | S,T | 目視全檢 |
2 | 尺寸 | T | 使用卡尺和高度計等進行測量 |
3 | 電氣強度 | S,T | 使用耐壓測試儀在加熱體的零火線和地線之間施加AC1250V電壓,產品無擊穿、無閃絡 |
4 | 冷態電阻 | S,T | 用低直流電阻測試儀測量冷態電阻值在要求范圍內 |
5 | 功率 | S,T | 調整輸入電壓為額定電壓,用功率儀測量功率在要求范圍內 |
6 | 泄露電流(動態) | S,T | 使加熱體在1.15倍額定功率下工作,測試零、火線與地線之間的泄露電流值,要求≤0.25mA |
7 | 壽命 | T | 加熱組件調整至穩定出汽狀態,通電220V,通20min,斷10min,900周期后,電氣性能正常,功率滿足要求;(防止溫控長期積熱跳開,需短接溫控) |
8 | 氣密性 | S,T | 0.2MPa氣壓,進氣4S,平衡測試20S,檢測4S,泄漏值<200Pa |
9 | 鹽霧測試 | T | 根據GB/T 2423.17-2008進行中性鹽霧48小時,加熱管不出現銹蝕,但不影響安全和功能的銳邊上的銹跡或可擦除的黃色銹膜可忽略 |
注:檢驗種類中用“T”代表樣品確認及產品周期檢測型式試驗所必須進行的項目;用“S”代表出貨檢驗所必須進行的項目。
出廠檢驗
產品批量出廠前必須進行如下項目抽檢,出具檢驗報告,抽樣數及標準如下: